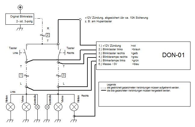
Anschluss DON-01
Das Blinkrelais benötigt 6 Leitungen. Alle diese Leitungen
sind
häufig im Lenker vorhanden. Deshalb wuren die
Blinkgeber der DON-Reihe so geplant, dass
ein Einbau in den Lenker möglich ist. Als gute Einbauposition
hat
sich die Kupplungsseite erwiesen, da man sich hier die die Arbeit mit
dem Gaszug Aus- und Einhängen sparen kann. Wie auf der
vorherigen
Seite schon erwähnt ist der Lenkereinbau nicht immer sinnvoll.
Das
müsst Ihr selbst abwägen, was die einfachere Sache
ist. Aber
denkt an den Abstand zu den Zündleitungen.
Wichtig: Wie
Ihr im unten
stehenden Anschlussbild seht müssen teilweise Verbindungen
aufgetrennt werden (1, 2, 3). Bei den Verbindungen zwischen den
Blinktastern und den Blinklampen (1,3) müsst Ihr unbedingt die
richtige Stelle unterbrechen. Die Verbindung der einzelnen Blinklampen
muss bestehen bleiben. Bei Lenkereinbau ist das relativ einfach, da man
hier direkt am Blinktaster unterbricht. Bei einem Einbau z.B: unter dem
Tank muss man genau aufpassen. Hier ist ein Schaltplan des Bikes sehr
hilfreich. Zur Kontrolle kann man nach dem Durchtrennen der Leitung
jenes Leitungsende, das Richtung Lampen zeigt (1L, 3L) kurz an +12V
legen -> alle Blinkerlampen, einschliesslich der Kontrollleuchte
müssen leuchten. Wenn nicht alle Lampen leuchten habt Ihr die
falsche Stelle unterbrochen.
Wenn Ihr alle Unterbrechungen habt, müsst Ihr nur noch die im
Anschlussplan dick gezeichneten Verbindungen herstellen. Denkt daran
eure Verbindungsstellen gut zu isolieren;z.B mit Schrumpfschlauch.
Unten findet Ihr nochmals die Einbauschritte
für den Lenkereinbau.
Anschlussplan
DON-01:

- -Einbauschritte
für Lenkereinbau:
-Ochsenauge auf Kupplungsseite abmontieren.
-Kabel
abschneiden (siehe
Skizze 2). Nicht zu kurz!
-Schalterblock auf
Kupplungsseite abschrauben bzw. öffnen.
-Schalterblock auf Gasseite abschrauben bzw. öffnen.
-Verbindung im
Schalterblock Gasseite zwischen
Blinktaster rechts und Blinklampen rechts entfernen ( siehe 3 im Anschlussplan)
Wichtig!! Die Verbindung der Lampen
untereinander muss
bestehen bleiben.
-Ein gelbes Kabel von dem nun freien
Tasteranschluss
(
siehe 3-T im Anschlussplan)
durch den Lenker auf die Kupplungsseite ziehen.
-Ein graues Kabel von dem nun freien Lampenanschluss ( siehe
3-L im Anschlussplan) durch den
Lenker auf die Kupplungsseite ziehen.
-Verbindung im
Schalterblock zwischen Blinktaster links und Blinklampen links
entfernen (
siehe 1
im Anschlussplan)
Wichtig!! Die Verbindung der Lampen
untereinander muss
bestehen bleiben.
-
Die Leitung zwischen
den Blinktastern und dem Blinkrelais
abtrennen
( siehe 2
im Anschlussplan ) . Die Verbindung der beiden Taster muss bestehen
bleiben.Diesen Anschluss des
Schalters auf +12V
Zündung legen (normalerweise
am Hupentaster vorhanden). Darauf achten, dass die +12V geschaltet und
abgesichert (ca.10A) sind. Das nun freie Kabelende
vom Original- Blinkrelais isolieren.
-DON-01 , mit den Kabeln zuerst, von der
Kupplungsseite in den
Lenker einschieben. Alle Kabel am Schalterblock Kupplungsseite
herausführen.
-Jetzt
können im
Schalterblock alle Verbindungen hergestellt werden. Beim Verbinden 2er
Leitungen immer mit Schrumpfschlauch arbeiten. Geeignete
Masseverbindung
herstellen.
-Eine Leitung
vom Anschluss
Blinklampen links durch den Lenker führen und mit der
Blinkerlampe
(linkes Ochsenauge) verbinden (vorher Griff aufschieben!!).
-Ochsenauge
montieren (jetzt ist es hilfreich, wenn man
vom Schalterblock aus das Kabel ziehen kann).
-Schalterblöcke
montieren – fertig-